Y416X減壓穩壓閥 | Y416X
Y416X減壓穩壓閥 產品說明
Y416X減壓閥屬于直接作用式薄膜彈簧減壓閥,主要由調節彈簧、膜片、活塞、閥座、閥瓣等零件組成,利用膜片直接傳感下游壓力驅動閥瓣,控制閥瓣開度完成減壓穩壓功能,本產品在城市建筑、高層建筑的冷熱供水系統中,可取代常規分區水管,節省設備,也可在通常的冷熱水管網中,起減壓穩壓作用,本產品調壓、穩壓動作平穩,適用于水和非腐蝕性液體介質的管路。
Y416X減壓穩壓閥 性能指標
| 公稱壓力(Mpa) | 1.0 | 1.6 | 2.5 |
|---|---|---|---|
| 殼體試驗壓力(Mpa)* | 1.5 | 2.4 | 3.75 |
| 密封試驗壓力(Mpa) | 1.0 | 1.6 | 2.5 |
| 高進口壓力(Mpa) | 1.0 | 1.6 | 2.5 |
| 出口壓力范圍(Mpa) | 0.2-0.8 | 0.2-1.0 | 0.4-1.6 |
| 壓力特性偏差(Mpa)△P2P | GB12244-1989 | ||
| 流量特性偏差(Mpa)P2G | GB12244-1989 | ||
| 滲漏量 | 0 | ||
| 工作溫度 | 0℃-80℃ | ||
Y416X減壓穩壓閥 零件材質
| 零件名稱 | 零件材料 |
|---|---|
| 閥體 閥蓋 底蓋 | WCB |
| 閥座 | 2Cr13 |
| 閥瓣 | 2Cr13 |
| 閥桿 | 2Cr13 |
| 缸套 | 2Cr13/25(鍍硬鉻) |
| 活塞 | 2Cr13 |
| O型圈 | 丁腈橡膠 |
| 密封圈 | 丁腈橡膠 |
| 膜片 | 夾織物丁腈橡膠 |
| 調節彈簧 | 60Si2Mn |
Y416X減壓穩壓閥 流量系數
| DN | 15 | 20 | 25 | 32 | 40 | 50 | 65 | 80 | 100 | 125 | 150 | 200 | 250 | 300 | 350 | 400 | 500 |
|---|---|---|---|---|---|---|---|---|---|---|---|---|---|---|---|---|---|
| Cv | 1 | 2.5 | 4 | 6.5 | 9 | 16 | 25 | 36 | 64 | 100 | 140 | 250 | 400 | 570 | 780 | 1020 | 1500 |
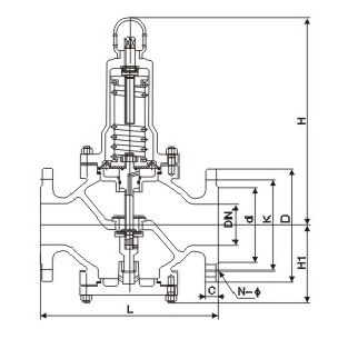
Y416X減壓穩壓閥 結構尺寸圖
Y416X減壓穩壓閥 連接尺寸
| 公稱通徑DN | 外 形 尺 寸 | ||
|---|---|---|---|
| L | H | Hl | |
| 15 | 160 | 265 | 100 |
| 20 | 160 | 265 | 100 |
| 25 | 180 | 285 | 110 |
| 32 | 200 | 285 | 110 |
| 40 | 220 | 320 | 120 |
| 50 | 250 | 320 | 120 |
| 65 | 280 | 335 | 140 |
| 80 | 310 | 425 | 165 |
| 100 | 350 | 445 | 185 |
| 125 | 400 | 590 | 225 |
| 150 | 450 | 625 | 260 |
| 200 | 500 | 680 | 280 |
| 250 | 650 | 855 | 335 |
| 300 | 800 | 935 | 385 |
| 350 | 850 | 1015 | 430 |
| 400 | 900 | 1095 | 455 |
| 450 | 900 | 1165 | 500 |
| 500 | 950 | 1205 | 525 |
更多>> 產品列表
- · 水用減壓閥 | Y42X
- · 氣體減壓閥 | YK43X/F
- · 蒸汽減壓閥 | Y43H
- · 高靈敏度蒸氣減壓閥 | YG43H
- · 超大膜片高靈敏度減壓閥 | YD43H
- · 電動減溫減壓閥 | Y945H
- · 內螺紋連接蒸汽減壓閥 | YG13H
- · 不銹鋼支管減壓閥 | YZ11X
- · 黃銅支管減壓閥 | YZ11X
- · 直接作用式波紋管減壓閥 | Y44H/Y
- · 杠桿式減壓閥 | Y45H/Y
- · 加大薄膜型高靈敏度減壓閥 | YT11H
- · 高靈敏度大流量蒸汽減壓閥 | YGa43H/Y
- · 直接作用可調減壓閥 | 200P
- · DP17斯派莎克減壓閥 | DP17
- · Y416X減壓穩壓閥 | Y416X
- · 固定比例式減壓閥 | YB43X
更多>> 閥門圖片列表
更多>> 其他閥門
