雙層重錘式鎖風卸灰閥 | DFSXF
雙層重錘式鎖風卸灰閥 產品說明
雙層重錘式鎖風卸灰閥普遍適用于建材、礦山、冶金、電力等行業的儲卸灰系統,作為各類除塵設備以及各種磨機、烘干機等設備的卸料裝置。該卸灰閥是一種新型的快速電控卸灰裝置,采用錐形灰倉,帶斜角的密封面,卸灰徹底無磨損。
雙層重錘式鎖風卸灰閥 性能參數
| 適用介質 | 工作溫度 | 卸灰量 |
| 干燥粉塵 | 150℃ | 3-35m3/h |
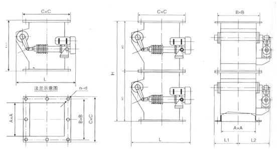
雙層重錘式鎖風卸灰閥 結構圖
雙層重錘式鎖風卸灰閥 連接尺寸
| A×A | B×B | C×C | H | H1 | L | L1 | L2 | n-d | 電液推桿 | 功率 (kw) |
卸灰量 (m3/h) |
| 200×200 | 254×254 | 290×290 | 750 | 375 | 565 | 180 | 325 | 8-φ19 | DYT-7001 | ? 0.55 | 3 |
| 300×00 | 368×368 | 412×412 | 900 | 450 | 626 | 230 | 375 | 8-φ19 | 6 | ||
| 320×20 | 378×378 | 432×432 | 920 | 460 | 636 | 240 | 385 | 8-φ19 | 8 | ||
| 400×400 | 418×418 | 512×512 | 1100 | 550 | 826 | 280 | 425 | 12-φ20 | ? DYT-10001 | ? 0.75 | 16 |
| 500×500 | 572×572 | 616×616 | 1300 | 650 | 878 | 330 | 475 | 16-φ20 | 24 | ||
| 630×630 | 702×702 | 746×746 | 1600 | 800 | 943 | 395 | 540 | 20-φ20 | 35 |
更多>> 產品列表
- · 手動通風蝶閥 | D41W
- · 蝸輪通風蝶閥 | D341W
- · 對夾通風蝶閥 | D371W
- · 氣動通風蝶閥 | D641W
- · 電動通風蝶閥 | D941W
- · 電動高溫通風蝶閥 | D941W
- · 氣動調節風閥 | D641W
- · 電動調節風閥 | D941W
- · 手動百葉蝶閥 | DB340W
- · 電動百葉蝶閥 | DB940W
- · 方形風門 | DF41W
- · 矩形百葉蝶閥 | DBJ940W
- · 星形卸灰閥 | GLF
- · 盲板閥 | F43CX
- · 電動盲板閥 | F943CX
- · 氣動盲板閥 | F643CX
- · 插板閥 | LMD
- · 雙向插板閥 | LMS
- · 拍門 | PM
- · 泄爆閥 | XB-42
- · 雙層重錘式鎖風卸灰閥 | DFSXF
- · 電動三通分料閥 | DSTFLF
更多>> 閥門圖片列表
更多>> 其他閥門
