壓力管道用聚丙烯(PP)閥門基本尺寸GB/T 27734-2011
壓力管道用聚丙烯(PP)閥門基本尺寸GB/T 27734-2011 文件下載
1范圍
本標準規定了常用連接型式的用于流體輸送壓力管道的聚丙烯閥門直徑系列和基本尺寸。
本標準適用于:
——連接管路公稱外徑從16 mm到160 mm的法蘭連接閥門。
——公稱外徑由16 mm到125 mm的插口連接閥門。
——公稱外徑由16 mm到125 mm的承口連接閥門。
——公稱外徑由20 mm到63 mm的螺紋連接閥門。
2規范性引用文件
下列文件對于本文件的應用是必不可少的。凡是注日期的引用文件,僅注日期的版本適用子本文
件。凡是不注日期的引用文件,其新版本(包括所有的修改單)適用于本文件。
GB/T 4217-2008流體輸送用熱塑性塑料管材公稱外徑和公稱壓力
GB/T 7306.1-2000 55。密封管螺紋第1部分:圓柱內螺紋與圓錐外螺紋
GBlT 7306. 2-2000 55。密封管螺紋第2部分:圓錐內螺紋與圓錐外螺紋
GB/T 18742. 3-2002冷熱水用聚丙烯管道系統第3部分:管件
IS0 7349:1983熱塑性塑料閥門連接參數
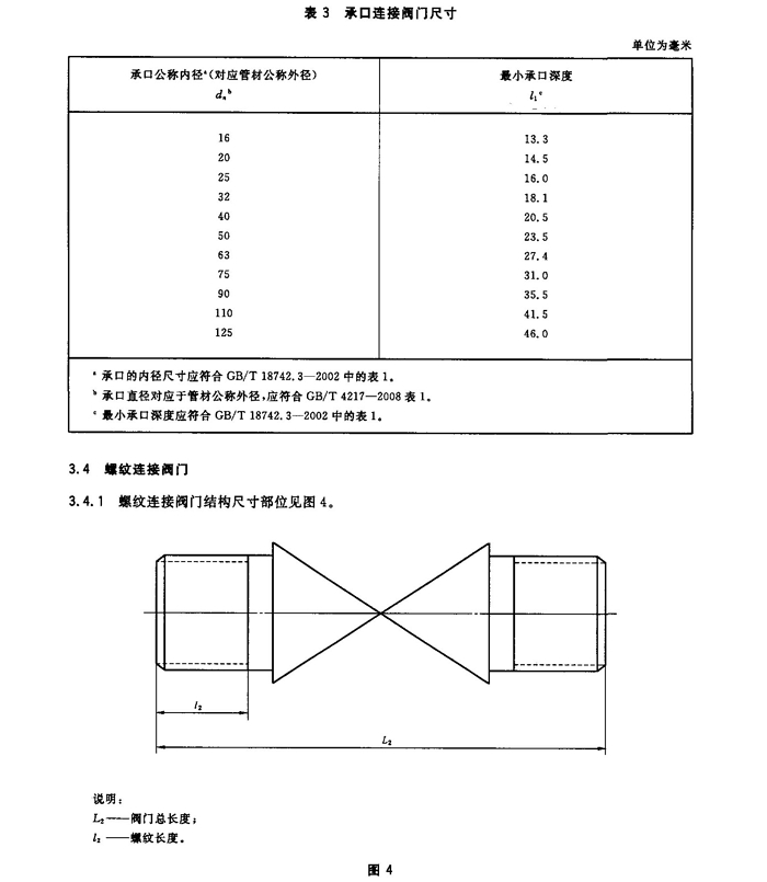
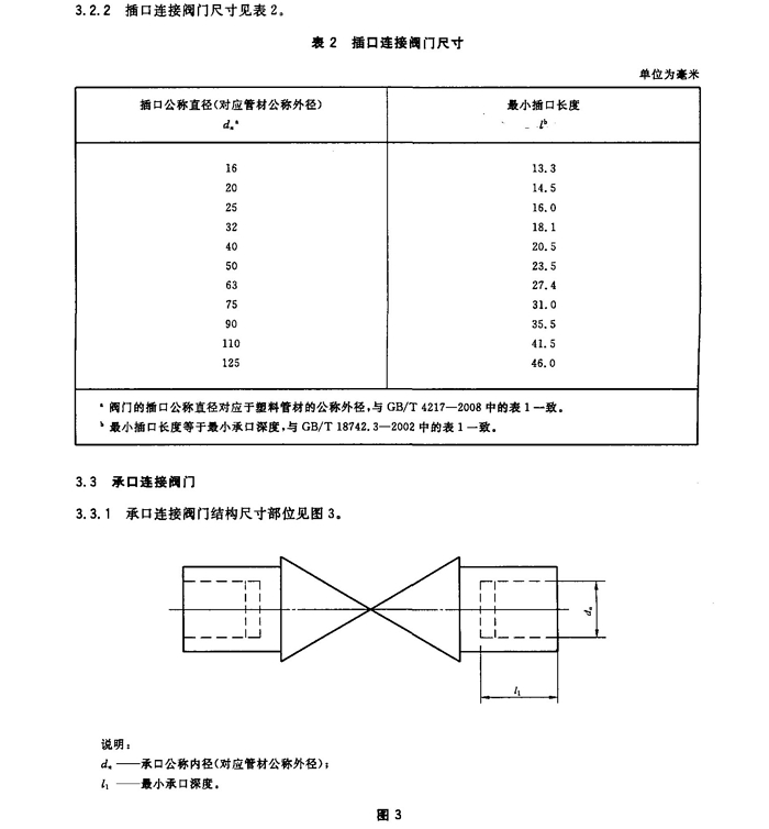
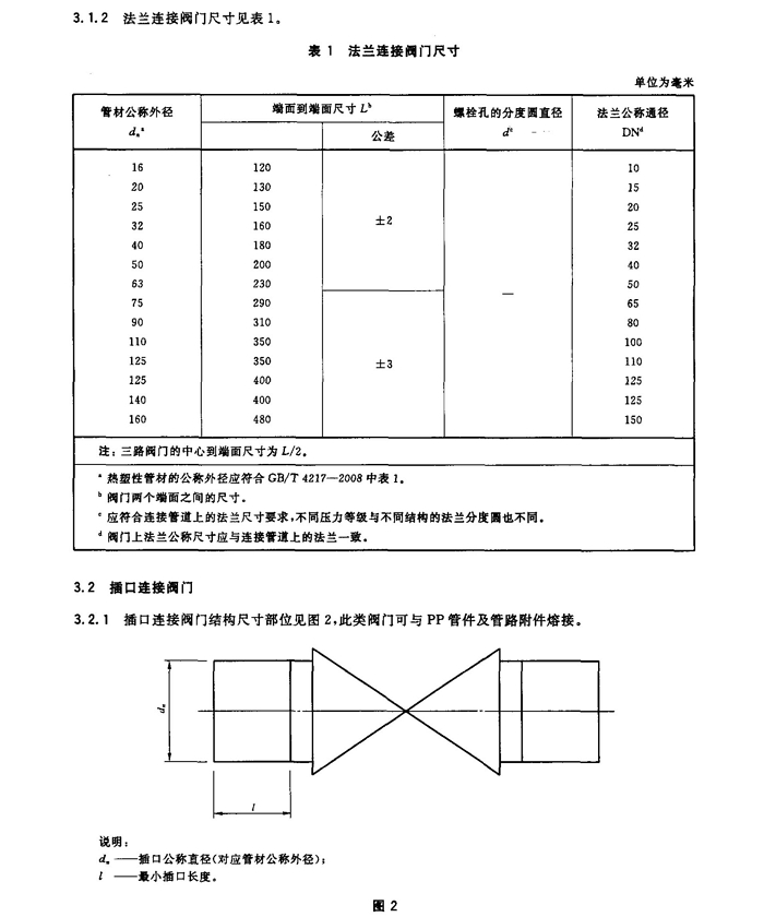
3基本尺寸
3.1法蘭連接閥門
3.1.1法蘭連接閥門結構尺寸部位見圖l。
說明:
L——端麗到端面尺寸;
d-螺栓孔的分度四直徑。
更多信息請下載塑料閥門安裝尺寸標準分類,進行查看,上海川滬閥門專業生產電動塑料球閥,電動塑料蝶閥,氣動塑料蝶閥,氣動塑料球閥,電動蝶閥,氣動蝶閥等控制閥門,詳情來電咨詢 021-5186 3046
壓力管道用聚丙烯(PP)閥門基本尺寸GB/T 27734-2011 文件下載
分享內容
