鍛鋼Y型過濾器 | GL61Y
鍛鋼Y型過濾器 產品說明
GL61Y鍛鋼Y型過濾器適合在高壓的場合使用,是輸送介質管道上不可缺少的一種裝置,通常安裝在減壓閥、泄壓閥、定水位閥或其它設備的進口端,用來消除介質中的雜質,以保護閥門及設備的正常使用。當流體進入置有一定規格濾網的濾筒后,其雜質被阻擋,而清潔的濾液則由過濾器出口排出,當需要清洗時,只要將可拆卸的濾筒取出,處理后重新裝入即可,因此,使用維護極為方便。
鍛鋼Y型過濾器 技術參數
| 公稱通徑DN | 15-100 |
|---|---|
| 閥體材質 | WCB、CF8、WC6、CF3M |
| 濾芯材質 | 304、316L |
| 過濾精度 | 10目~500目 |
| 連接形式 | 法蘭、對焊、螺紋、承插焊 |
| 法蘭壓力 | 4.0-25.0MPa |
| 墊片材質 | 金屬環、金屬纏繞、齒輪組合 |
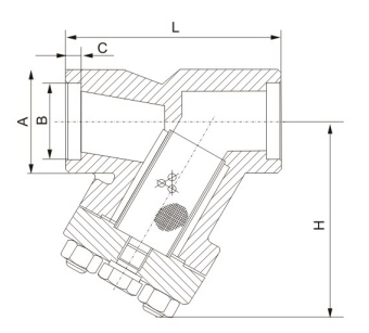
鍛鋼Y型過濾器 結構尺寸圖
鍛鋼Y型過濾器 連接尺寸
| 公稱通徑 (DN) | L | H2 | A | B | C |
|---|---|---|---|---|---|
| 15 | 100 | 120 | 40.5 | 22.2 | 9.6 |
| 20 | 100 | 120 | 40.5 | 27.7 | 12.7 |
| 25 | 120 | 140 | 51 | 34.5 | 12.7 |
| 32 | 140 | 130 | 56 | 42.6 | - |
| 40 | 140 | 155 | 66 | 49.1 | 12.7 |
| 50 | 170 | 198 | 83 | 61.1 | 15.9 |
| 65 | 200 | 180 | 90 | 76.8 | - |
| 80 | 290 | 230 | 110 | 89.8 | - |
鍛鋼Y型過濾器圖片
